温度センサの種類
空調などに使用される温度センサは、主に下記の3種類が有ります。
サーモスタット
バイメタル式や液膨張式のセンサで、接点出力です。精度はあまり高く無いので、温度制御に使われる事はまず有りませんが、構造が簡単で、故障し難いので、ヒーターの安全装置や、電熱ヒーターのON-OFF等に使用されています。
熱電対
異なる2種の金属の両端を接合して、両端の温度が異なると起電力が発生する原理を応用した物で、ゼーベック効果と呼ばれてます。
センサヘッドが極めて小さく、応答速度が速く、比較的価格が安いので、機械の各部を多点で記録する場合等に良く使用されています。記録計側に基準接点保証機能が有り、センサの先端の温度を正確に計測できます。温度域により各種の金属の組み合わせが有ります。
センサ迄の距離を伸ばす場合には、補償導線が必要です。
恒温恒湿室の温度センサに使用されている例は、ほとんど見かけません。
サーミスタ
温度が変わると抵抗値が変わる電子部品で、一般的には、温度が上がると、抵抗値が減少します。安価ですから、価格の安い小型の温度計や、携帯電話の温度管理、玩具等に使用されています。温度変化が直線では無いので、空調等の精密制御に使用される例は有りません。
測温抵抗体
温度が上がると、直線的に抵抗値が変化する物で、現在は、0℃の時に抵抗値が100Ωの白金測温抵抗体が使用されており、記号では、Pt100Ωと記載されます。
環境の変化に強く、長期安定しており、抵抗値の変化も直線ですから、恒温恒湿室等の精密空調には良く使用されております。貴金属なので、他のセンサより価格は高くなります。
抵抗値の変化は0℃の時に100Ωで、良く使用する23℃では、約109Ω、50℃では約120Ωに変化します。変化率は直線で、バラツキは有りませんので、正確な温度測定が可能です。
JPt100ΩとPt100Ω
1989年にJIS規格が変わり、それ以前のセンサは、JPt100Ωと言う名前で呼び、それ以降に製造されたセンサをPt100Ωと呼ぶようになりました。
もう35年も前になりますから、稼働している装置は少ないと思いますが、かなり古い装置の温度センサを、現在のPt100Ωに交換すると、100℃で、2℃低い温度を表示します。
白金測温体は3線式です。
Pt100Ωのセンサは、3線式です。机上テストだと、距離が短いので、2線で配線しても、ほとんど誤差は出ないので、2線でも良いだろうと2線で配線されていた現場が有りました。
知識が無いと、何で3線が必要なのか理由がわからず、2線で配線しても、温度を表示するので、これで良しとしてしまう作業員がいるようです。
センサ回路に使用されるケーブルは、電流を流さないので細い場合が多く、例えば0.75Sqの電線で、20mの距離を配線すると、往復で、ケーブルの抵抗値は、0.8Ωになります。
お部屋が、23℃の時のセンサの抵抗値は、約109Ωですが、これに電線の抵抗0.8Ωを加算すると、109.8Ωになり、誤差は約+5℃発生します。
調節計の表示温度が23℃でも、実際の室内温度は、18℃しかない事になります。
電線も温度が上がると抵抗値が変わりますから、誤差は更に大きくなります。
Pt100Ωの白金抵抗測温体は、それらしき表示が出るからと、2線で配線しては絶対に駄目な事がお判りいただけると思います。
温度検出の基本回路
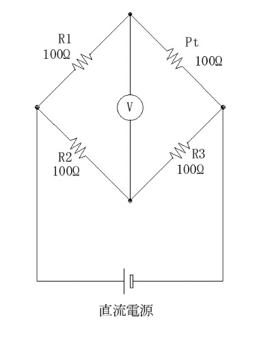
温度調節計の入力回路には、ホイートストーンブリッヂ回路が組込まれております。
参考図の様な構成で、この図では、4辺の抵抗が100Ωで、バランスが取れています。
Pt100Ωの周囲の温度を0℃とすると、4辺の抵抗が全て100Ωですから、センサが0℃の雰囲気なら中心の電圧計の両端に電位差は出ないので、電圧計は触れません。
Pt100Ωが、23℃を検知すると、Ptは、109Ωに変化しますから、ブリッチのバランスが崩れて、電圧計の指針が振れます。これが温度検出の基本回路になります。
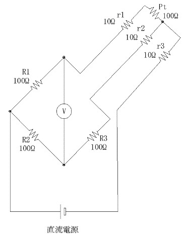
ここでPt100Ωのセンサを、20m離して配線すると、Ptの辺の抵抗は、往復で0.8Ω高くなりますから、+5℃の温度差が発生する事になります。
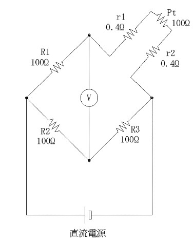
3線式なら誤差が出ない理由
図の様に、3線で配線すると、Pt100Ω側に加算されたケーブルの路線抵抗は、R3側の回路にも同じように加算されますので、これでブリッチのバランスが保たれます。
いくら電線を長く伸ばしても、途中で電線の温度が大きく変わっても、3芯のケーブルなら、絶対に誤差が発生しません。この場合、3線の抵抗値が全部同じでなければいけないので、2芯に別の電線を1本追加して3線にする様な対策では、正確な温度は計測できません。
図は、ブリッチの基本回路です。白金抵抗体が、0℃の雰囲気でPt100Ω、R1~R3の抵抗を100Ωとすれば、完全にバランスが取れている状態になります。
0℃では完全にバランスしているので、中央の電圧計Vには、何の電圧もかかりません。
温度か上昇すると、Pt100Ωの抵抗値が増えますので、電圧計が振れます。これが測定原理です。
こちらは、Pt100Ωのセンサを、0.75sqの2芯で、20M伸ばした場合の等価回路です。
この1辺の合成抵抗は、100.8Ωになりますから、センサは0℃を検出していても、ブリッチのバランスが崩れて、電圧計が振れて、指示計の方は、+5℃が表示される事になります。
この様に3線で長く配線した場合、Pt100Ωの辺は110Ωになりますが、R3の辺も110Ωになりますから、バランスは崩れず、正確に0℃を示します。
r3の路線抵抗は、ブリッチのバランスには影響しないので、いくら電線を伸ばしても、温度の指示は変化しません。
これが白金測温体のセンサには3線が必要な理由になります。
余談
このホイートストンブリッジは、1843年にホイートストンさんが広めた、かなり古い技術ですが、温度検出以外でも、このブリッチに電流を流して加熱して、Ptに触媒を塗って、ここに可燃性ガスを触れさせると、ガスは接触燃焼して、Rxの温度が上がり、Ptの抵抗が増すので、電圧計が振れます。これが可燃性ガス検知器の原理です。
今度は加熱したPtに風を当てると、Ptが冷えての抵抗値が下るので、電圧計がマイナス側に触れます。電圧計を逆にすれば、これは熱線式風速計の原理になります。
200年近い年月を超えて、今でも利用されている素晴らしい技術です。
温度センサの応答速度
温度センサのPt100Ωには、ケースに収納された物が多く有り、沢山のスリットが有るとは言え、風速の少ない部屋では、どうしても応答速度が遅くなります。
また、温度センサと湿度センサを、フィルタの内部に納めた温湿度センサも有りますが、温度センサにフィルタは必要有りません。このタイプは、特に温度側の検出速度が遅くなる傾向が有ります。(湿度は応答性が早いので問題ありません。)
センサには、T90と言う応答速度の規格が有ります。検出した温度が、実際の室内温度の90%に到達する迄の時間です。メーカーによっては、63.2%に到達する時間を公表している場合も有りますが、この時間が短い程、制御性は良くなります。
この為に、弊社では、特に温度の応答速度が速いセンサを選択して採用しております。
センサに風を当てれば、応答速度は早くなりますが、一般的に室内の風速は嫌われますので、弊社の空調機は、低風速低騒音にしております。この状態でも、温度分布を高く保ち、応答速度を上げる為に、センサ本体や、取付位置には、さまざまな工夫をしております。
それでも、特に微風速のお部屋では、センサ付近に風が流れずに、応答速度は遅くなります。
この様な場合は、通風型のセンサを使用しますが、市販されている通風型のセンサは価格が高く、かなり大きな騒音を発生します。これでは、低騒音にした意味が無くなります。
そこで、弊社では、通常の室内センサと、独自の超低騒音の送風ユニットと組み合わせて、微風速のお部屋でも、高い制御性を得る様に工夫をしております。
